¹¦Ð§£º
AZCLϵÁÐÖÇÄܼ¯³Éʽг²¨ÒÖÖÆµçÁ¦µçÈÝÅâ³¥×°ÖÃÊÇÓ¦ÓÃÓÚ0.4kV¡¢50HzµÍѹÅäµçÖÐÓÃÓÚ½ÚÔ¼ÄÜÔ´¡¢½µµÍÏßËð¡¢Ìá¸ß¹¦ÂÊÒòÊýºÍµçÄÜÖÊÁ¿µÄÐÂÒ»´úÎÞ¹¦Åâ³¥×°±¸¡£¡£¡£¡£¡£¡£¡£¡£ÆäÖд®½Ó7%µç¿¹Æ÷µÄ²úƷʹÓÃÓÚÖ÷Ҫг²¨Îª5´Î¡¢7´Î¼°ÒÔÉÏµÄµçÆøÇéÐΣ¬£¬£¬£¬£¬£¬´®½Ó14%µç¿¹Æ÷µÄ²úƷʹÓÃÓÚÖ÷Ҫг²¨Îª3´Î¼°ÒÔÉÏµÄµçÆøÇéÐΡ£¡£¡£¡£¡£¡£¡£¡£
Ó¦ÓùæÄ££º
Ó¦ÓÃÓÚ0.4kV¡¢50HzµÍѹÅäµçϵͳ¡£¡£¡£¡£¡£¡£¡£¡£
¶©»õ¹æ·¶£º
ÏêϸÐͺţºAZCL-SP1/480-50-P7
ÊÖÒÕÒªÇ󣺹²²¹£¬£¬£¬£¬£¬£¬7%µç¿¹ÂÊ£¬£¬£¬£¬£¬£¬Íо
ͨѶÐÒ飺ÎÞ
¸¨ÖúµçÔ´£ºÎÞ
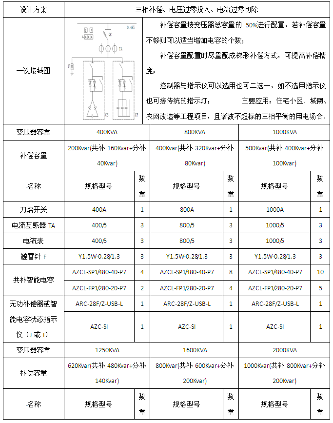
1¡¢±äѹÆ÷ÈÝÁ¿Îª400/800/1000/1250/1600/2000KVAµÄÈýÏàÅâ³¥Ó¦Óüƻ®£¨´®½Ó7%µç¿¹Æ÷£©¡£¡£¡£¡£¡£¡£¡£¡£
2¡¢±äѹÆ÷ÈÝÁ¿Îª400/800/1000/1250/1600/2000KVAµÄµ¥Ïà¡¢ÈýÏà»ìÏýÅâ³¥Ó¦Óüƻ®£¨´®½Ó7%µç¿¹Æ÷£©¡£¡£¡£¡£¡£¡£¡£¡£